ZAŚLEPKA DO PROFILU ALUMINIOWEGO BALUSTRADY SZKLANEJ – ALUMINIUM SATIN-ELOX
- Zaślepka wykonana z wysokiej jakości aluminium;
- Element z wykończeniem Satin-ELOX co nadaje mu eleganckiego wyglądu;
- Produkt odporny na warunki atmosferyczne oraz korozje;
- Zaślepka będzie idealnym wykończeniem profilu aluminiowego;
- Maskownica przeznaczona jest do profilu F UNO – montaż do podłogi;
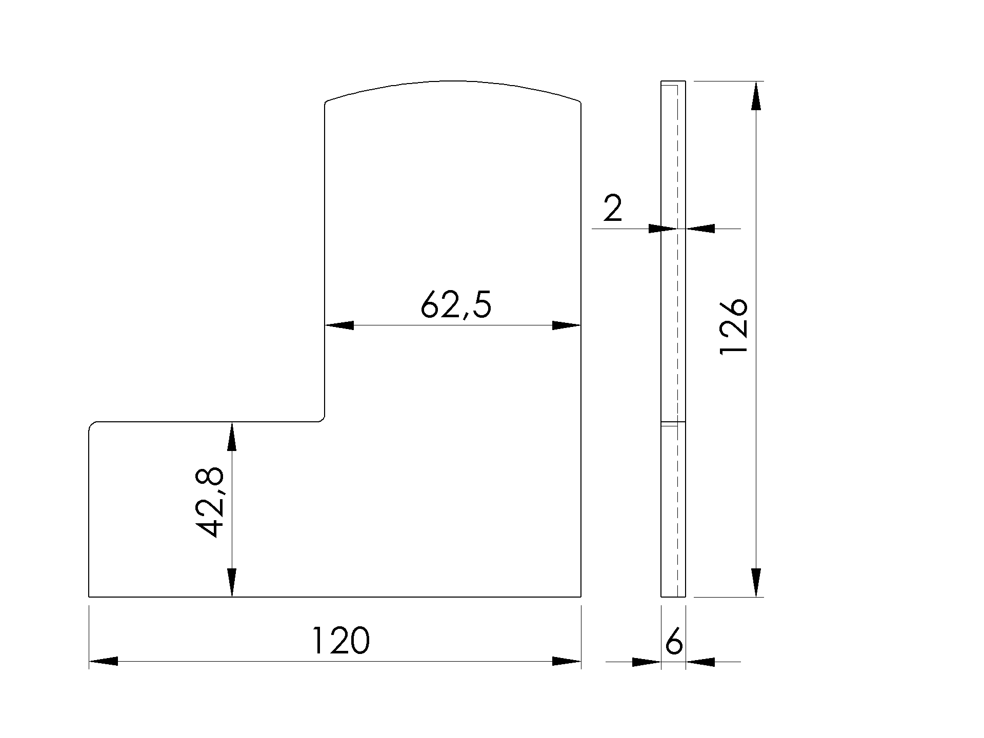
- Wymiary zaślepki: 120x126x6 mm
PARAMETRY
Materiał: Aluminium
Wykończenie powierzchni: Satin-ELOX
Efekt: Elox
Marka: RAPDACH
Kod producenta: AL/0035-006-UNO-K-S-E






Opinie
Na razie nie ma opinii o produkcie.